

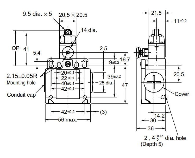
C4N-8A32R
◼ Устройство принудительного открытия (только NC контакты), для разрыва контакта
когда контакт имеет плавление и другие неисправности
◼ Усиленная верхняя уплотнительная конструкция повышает герметичность
◼ Встроенный держатель контакта имеет медленное действие: 1NC / 1NO и 2NC
Предмет |
Код |
Описание |
①Размер трубы / коннектора |
1 |
Pg13.5 (тип трубы 1) |
4 |
M20 (тип трубы 1) |
|
5 |
Pg13.5 (тип трубы 2) |
|
8 |
M20 (тип трубы 2) |
|
② Встроенный выключатель |
A |
1NC/1NO (медленного действия тип) |
B |
2NC (тип медленного действия) |
|
③Головка и ведущий стержень |
20 |
Рычаг с роликом (резиновый рычаг, резиновый шарик) |
22 |
Рычаг с роликом (металлический рычаг, резиновый шарик) |
|
25 |
Рычаг с роликом (металлический рычаг, металлический резиновый шарик) |
|
2G |
Регулируемый роликовый рычаг, Форма замка (металлический рычаг, смола шар) |
|
2H |
Регулируемый роликовый рычаг, Форма замка (металлический рычаг, резиновый шар) |
|
2M |
Регулируемый роликовый рычаг, Форма замка (металлический рычаг, металлический смола шар) |
|
31 |
Тип верхнего плунжера |
|
32 |
Тип верхнего плунжера с шаром |
|
62 |
Односторонний кантилеврный шаровой тип (горизонтальный) |
|
72 |
Односторонний кантилеврный шаровой тип (вертикальный) |
Уровень защиты |
IP66 |
|
Жизнь |
Электрический |
Более 300 000 раз |
Скорость работы |
1 мм-0,5 м/с (C4N-4A20R) |
|
Рабочая частота |
Макс. 30 раз/мин |
|
Контактное сопротивление |
25 мΩ или менее |
|
Минимальная рабочая нагрузка |
1мА сопротивления ниже DC5V (N стандартное значение) |
|
Номинальное напряжение изоляции (Ui) |
300В |
|
Класс защиты от электрического удара |
Класс II (двойная изоляция) |
|
Степень загрязнения (условия использования) |
Степень загрязнения 3 (EN60947-5-1) |
|
Напряжение пробоя (EN60947-5-1) |
Между гомополярными терминалами: 2,5 кВ |
|
Между гетерополярными терминалами: 2,5 кВ |
||
Между терминалами и не заряженными металлическими частями: 6 кВ |
||
Изоляционное сопротивление |
Свыше 100 МОм |
|
Зазор контакта |
Минимальный быстродействующий тип 2х0,5 мм,
Минимальный медленнодействующий тип 2х2 мм
|
|
Вибрация |
Неисправность |
10 ~ 55Гц 0,75 мм одиночная амплитуда |
Воздействие |
Продолжительность |
1,000 м/с2 |
Неисправность |
300 м/с2 |
|
Окружающая температура |
Использование: -20~+70℃ (без образования льда) |
|
Окружающая влажность |
Менее 95% относительной влажности |
|
Вес |
Около 92 г (D4N-1A20R) |
Примечание 2. После того, как контакт подключен к стандартной нагрузке, его нельзя использовать для подключения меньшей нагрузки. В противном случае контакт может иметь шероховатую поверхность и потерять надежность контакта.
*1. Уровень защиты получен на основе метода испытаний (EN60947-5-1). Пожалуйста, убедитесь в герметичности перед использованием в реальных условиях окружающей среды. Коробка переключателя имеет структуру, устойчивую к пыли и маслу, но ее следует использовать в местах без пыли, масла и химических веществ. В противном случае это может привести к преждевременному износу, повреждению или неисправности.
*2. Прочность для окружающей температуры от 5℃ до 35℃ и влажности от 40% до 70% относительной влажности. Для получения дополнительной информации, пожалуйста, свяжитесь с нами.
*3. При температуре окружающей среды выше 35℃ запрещено использование более 2 цепей 3A 250VAC нагрузки.
*4. Значения будут различаться в зависимости от частоты переключения, условий окружающей среды, уровня надежности и других факторов. Пожалуйста, предварительно подтвердите на реальной нагрузке.
Механизм принудительного отключения

Модель |
C4N-□□ 20R |
C4N-□□ 22R |
C4N- □□ 2GR *2 |
C4N-□□ 2HR |
C4N-□□ 31R |
C4N-□□ 32R |
C4N-□□ 62R |
C4N-□□ 72R |
|
LF |
Макс. |
6,45 Н |
6,45 Н |
5,6 Н |
5,4 Н |
10,8 Н |
10,8 Н |
7,5 |
7,9 Н |
LT |
Макс. |
55° |
55° |
55° |
55° |
4,5 мм |
4,5 мм |
7 мм |
7 мм |
PT1 |
*3 |
18~27° |
18~27° |
18~27° |
18~27° |
2 мм |
2 мм |
4 мм |
4 мм |
PT2 |
*4 |
(44° ) |
(44° ) |
(44° ) |
(44° ) |
(2,9 мм) |
(2,9 мм) |
(5,2 мм) |
(4,3 мм) |
ОП |
|
-- |
-- |
-- |
-- |
34±0,5 мм |
44,4±0,8 мм |
53±0,8 мм |
27±0,8 мм |
ТТ |
*5 |
80° |
80° |
80° |
80° |
(6мм) |
(6мм) |
(9мм) |
(9мм) |
Точка |
Мин. *6 |
50° |
50° |
50° |
50° |
3,2мм |
3,2мм |
5,8мм |
5,8мм |
Глубина резкости |
Мин.* 6 |
20N |
|
20N |
20N |
20N |
20N |
20N |
20N |
*1. Одновременность работы контактов 2NC имеет различия, пожалуйста, убедитесь перед использованием.
*2. Значение свойства при длине рычага 32 мм.
*3. Значение PT, когда контакт NC находится в открытом (OFF) состоянии.
*4. Общее значение PT, когда контакт NO находится в закрытом (ON) состоянии (только для типов 1NC/1NO).
*5. Ориентировочные значения.
*6. Значения нагрузки и перемещения структуры принудительного отключения. Для обеспечения безопасности, обязательно оставайтесь в верхнем и нижнем диапазонах.